Bizi ara

+86-18106653002

Bize e -posta gönderin

Soruşturma Talep Edin

Yüksek Kaliteli Ürünler Satın Alınabilir
Ev » Ürünler » Zemin ilgi çekici araçları » Parça giymek » Grizzly Barlar » Ekskavatör Kepçe Koruması Tip B Izgaralı Çubuk DLP-2077 Aşınma

Ürün kategorisi

Ürün Kategorisi

Ekskavatör Kepçe Koruması Tip B Izgaralı Çubuk DLP-2077 Aşınma

Kullanılabilirlik Durumu:
Miktar:
facebook sharing button
twitter sharing button
line sharing button
wechat sharing button
linkedin sharing button
pinterest sharing button
whatsapp sharing button
sharethis sharing button
  • Ekskavatör Kovası

  • Ekskavatör

  • CE

  • Yeni

  • 305X131X122X(38+12=50)

  • Döküm

1. Açıklama:
İsim: Grizzly Barlar DLP-2077
Açıklamalar:
Malzeme: beyaz demir ve yumuşak çelik
Sertlik: HRC63

Kesilmesi kolaydır; korumayı farklı özelliklere göre özelleştirmenize olanak tanır
Bükülmesi kolaydır - konturlu bir yüzeyde koruma sağlar.
Önceden çentikli destek plakalı takoz çubukları kullanın.
5 boyutta mevcuttur - standart veya önceden çentikli destek plakası ile.

Uygulamalar:
Kova aşınma şeritleri.
Burguların, yönlü matkap başlıklarının, temel sondajının, baş yukarı sondajın sert yüzey kaplamasının yerine geçer.
Fan bıçağı astarları.
Pug değirmeni kürekleri, ucu ve kazıyıcıları.
Geri dönüşüm endüstrisi.
Yol planlayıcısı kayar ve koruyucuları alır.
Pompa gövdeleri ve çarklar için sert kaplamanın yerini alır

2. Ürün yelpazemiz
Ekskavatör Kepçe Koruması Tip B Izgaralı Çubuk DLP-2077 Aşınma

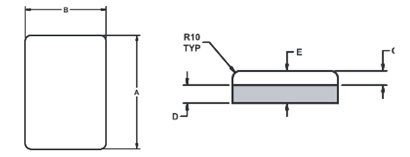
3. Popüler öğeler referans için darbe:
Ekskavatör Kepçe Koruması Tip B Izgaralı Çubuk DLP-2077 Aşınma
Parça No. bir (mm) B (mm) C (mm) D (mm) E (mm) Ağırlık (kg)
DLP-1920 75 25 17 8 25 0.7
DLP-1921 100 50 17 8 25 1.1
DLP-1994 100 70 24 8 32 1
DLP-2196 130 80 15 8 23 1.3
DLP-4771 148 108 25 10 35 2.3
Ekskavatör Kepçe Koruması Tip B Izgaralı Çubuk DLP-2077 Aşınma
Parça No. bir (mm) B (mm) C (mm) D (mm) E (mm) Ağırlık (kg)
Veri Kaybını Önleme 4 300 38 25 8 33 3
DLP 295 153 38 25 8 33 1.6
DLP 508 190 50 20 10 30 2.3
DLP 125 230 50 38 12 50 4.6
DLP 1101 150 50 40 10 50 3
DLP 528 150 75 40 10 50 4.5
DLP 619 150 75 50 10 60 5.3
Ekskavatör Kepçe Koruması Tip B Izgaralı Çubuk DLP-2077 Aşınma
Parça # bir (mm) B (mm) C (mm) D (mm) E (mm) Ağırlık (kg
SB 413 200 150 20 25 45 10.5
SB 412 250 150 20 25 45 13.1
SB 414 250 250 20 25 45 22

4. Depomuz:
Ekskavatör Kepçe Koruması Tip B Izgaralı Çubuk DLP-2077 Aşınma


5.Şirket bilgileri

Ningbo Beneparts Machinery co., Ltd, güvenilir GET parça tedarikçiniz olarak madencilik, inşaat, tarım vb. sektörlerine uygulanan her türlü hafriyat makinesine uygun tam yedek parça yelpazesi sunmaktadır. Ekskavatör, Buldozer, Yükleyici, Kazıcı, Kazıyıcı, Kırıcı ve yakında.Tedarik ettiğimiz yedek parçalar arasında kepçe dişleri, adaptör, dudak muhafazası, koruyucu, riper sapı vb. döküm parçalar ve dövme kepçe dişleri, kesici kenar, greyder bıçakları, segman, uç ucu vb. dövme parçalar ve ayrıca aşınmaya dayanıklı parçalar bulunmaktadır. Takoz çubukları, aşınma düğmeleri, krom kombine aşınma plakası vb. ve pim, pul, cıvata ve somun vb. gibi eşleşen parçalar.

Beneparts, çok güçlü bir satış ekibine ve 28 yılı aşkın tecrübesiyle yüksek teknolojiye sahip ve kaliteye odaklanan sıkı bir işbirliğine sahip bir üreticiye sahiptir.

Avantajlarımız dört kat daha fazladır:
1.güçlü teknik ekip ve müşterilerimizin projelerinin özel ihtiyaçlarını karşılayacak malzemeleri formüle etme yeteneğine sahibiz.
2. Mükemmel kalite izleme sistemi ve Bileşen analiz makinesi, Darbe Makinesi, Çekme Mukavemeti makinesi vb. gibi gelişmiş tesislerin tamamı.
3. OEM/ODM işi yapmak için zengin deneyim, özel gereksiniminiz varsa çizimlere ve örneklere göre öğeler geliştirebiliriz.
4. Etkin yönetim, teslimat süresini kısaltabiliyoruz ve müşterilerimizle uzun vadeli iş işbirliğini sürdüren iyi bir satış sonrası hizmetimiz var.

Size olan bağlılığımız her zaman hızlı, rahat ve etkili müşteri hizmetleri sağlamaktır.
Sizinle tanışmayı sabırsızlıkla bekliyorum!




Önceki: 
Sonraki: 

Bizi takip edin

Ningbo Beneparts Machinery Co., Ltd (BP), 30 yılı aşkın süredir zemin kavrama aletlerinin üretiminde uzmanlaşmış profesyonel bir üreticidir.

Makineler

Kategoriler

Bize Ulaşın

sales2@beneparts.cn
+86-18106653002
+86-18106653002
No.1107-12A02 Tiantong North Road, Ningbo, Çin. 315100
Telif hakkı ©️ 2023 Ningbo Beneparts Machinery Co., Ltd.
ileti
BİZE ULAŞIN